一、概 述
MZG係列脈動真空幹燥機廣泛應用於製藥行業、生物工程等領域的,是一種符合GMP 的真空箱式幹燥裝置,其主要針對於熱敏性物料、粘性大物料、和需要回收溶劑物料的幹燥,尤其對物料含糖量高、易溢出、易起泡中藥浸膏類的物料幹燥能力和效果非常好。該設備采用“脈衝”層流真空幹燥原理,是一種高效的低溫幹燥方式,其可以采用蒸汽、熱水、電為熱源,亦可以配備飽和、流通蒸汽滅菌、臭氧消毒功能、在線清洗或浸泡清洗功能。
二、性能特點
1、德de國guo西xi門men子zi工gong控kong係xi統tong性xing能neng優you越yue,並bing配pei備bei標biao準zhun工gong業ye通tong訊xun接jie口kou,可ke提ti供gong設she備bei與yu中zhong央yang監jian控kong係xi統tong的de通tong訊xun軟ruan件jian技ji術shu支zhi持chi,可ke以yi在zai後hou台tai自zi動dong生sheng成cheng監jian控kong畫hua麵mian。
2、設備關鍵部件均采用行業中的原裝進口件,並且多數配件在我國具有50%左右的市場占有率。
3、設備具有標準GMP驗證接口,公司具有16路標準計算機驗證儀,可隨時為用戶提供GMP驗證服務。
4、櫃gui體ti上shang下xia左zuo右you內nei板ban外wai均jun並bing列lie滿man焊han由you槽cao鋼gang製zhi作zuo成cheng的de加jia熱re夾jia套tao,槽cao鋼gang和he內nei板ban滿man焊han好hao後hou反fan複fu作zuo打da壓ya檢jian漏lou處chu理li,確que保bao無wu任ren何he泄xie露lu。加jia熱re速su率lv比bi普pu通tong真zhen空kong烘hong箱xiang提ti升sheng200%。
5、櫃體內四方角為圓弧過渡,加熱時使櫃體內溫度流暢,均勻、改gai變bian了le原yuan方fang型xing真zhen空kong烘hong箱xiang頂ding部bu一yi層ceng裝zhuang有you物wu料liao的de烘hong盤pan不bu易yi烘hong幹gan的de缺que陷xian,同tong時shi,便bian於yu物wu料liao在zai烘hong幹gan的de過guo程cheng中zhong產chan生sheng的de水shui汽qi珠zhu順shun兩liang側ce麵mian流liu入ru櫃gui體ti底di部bu,經jing排pai汙wu口kou排pai出chu櫃gui外wai。
6、幹燥櫃在加熱時抽真空時,櫃內上下層的溫度由於抽真空的作用會產生變化,在櫃內左側、櫃內右側和櫃頂均製作有抽真空接口和主抽真空管聯接到一起,通過用不鏽鋼球閥控製每處真空度大小來調整櫃內的溫差。
7、櫃內散熱器(又稱烘架)為平板式,比普通管式散熱器加大散熱麵積150%,散熱器底部裝置4隻不鏽鋼小輪,能在軌道上推進推出方便自如,烘架蒸汽進口和出口與箱體聯接處均裝置快裝卡箍,便於拆裝、拉出清洗。
8、櫃內烘架上每層散熱器加熱流體走向均勻,徹底改變原方型真空幹燥箱內上下溫度相差需倒盤的現象。
9、物wu料liao在zai加jia熱re抽chou真zhen空kong時shi會hui出chu現xian發fa泡pao的de現xian象xiang,起qi泡pao後hou形xing成cheng一yi個ge密mi閉bi的de空kong間jian,物wu料liao內nei的de水shui份fen蒸zheng發fa減jian慢man從cong而er延yan長chang幹gan燥zao時shi間jian。在zai烘hong盤pan的de上shang方fang製zhi作zuo壓ya縮suo空kong氣qi破po泡pao式shi裝zhuang置zhi,物wu料liao起qi泡pao後hou迅xun速su破po泡pao,使shi物wu料liao內nei的de水shui份fen通tong過guo真zhen空kong泵beng進jin行xing抽chou汽qi抽chou濕shi快kuai速su幹gan燥zao,提ti高gao幹gan燥zao效xiao率lv。
10、櫃體內底部為半橢圓形製作,使物料在過程中產出的水汽珠流向箱內底中部,經底部排汙口排出箱外,提高幹燥效率。
11、在櫃身裝置1隻呼吸器,確保進入櫃內的空氣是經過過濾後的潔淨空氣。進入櫃內的空氣經過加熱處理後不會冷熱空氣交換產生水珠。
12、物(wu)料(liao)內(nei)的(de)水(shui)份(fen)在(zai)抽(chou)真(zhen)空(kong)的(de)作(zuo)用(yong)下(xia)才(cai)能(neng)排(pai)出(chu)箱(xiang)外(wai),達(da)到(dao)幹(gan)燥(zao)效(xiao)果(guo),為(wei)了(le)使(shi)物(wu)料(liao)少(shao)溢(yi)出(chu),還(hai)要(yao)使(shi)水(shui)環(huan)式(shi)真(zhen)空(kong)泵(beng)連(lian)續(xu)工(gong)作(zuo),裝(zhuang)置(zhi)真(zhen)空(kong)泵(beng)用(yong)的(de)變(bian)頻(pin)調(tiao)速(su)器(qi),真(zhen)空(kong)泵(beng)運(yun)轉(zhuan)的(de)速(su)率(lv)可(ke)以(yi)變(bian)頻(pin)調(tiao)節(jie)。
13、為節約用水配置真空泵循環水用的循環水箱1台(tai),水(shui)箱(xiang)具(ju)有(you)自(zi)動(dong)給(gei)水(shui)的(de)功(gong)能(neng)補(bu)充(chong)循(xun)環(huan)用(yong)水(shui)。真(zhen)空(kong)泵(beng)長(chang)期(qi)工(gong)作(zuo)時(shi),循(xun)環(huan)水(shui)箱(xiang)內(nei)的(de)水(shui)溫(wen)會(hui)很(hen)高(gao),影(ying)響(xiang)真(zhen)空(kong)度(du)和(he)真(zhen)空(kong)泵(beng)使(shi)用(yong)壽(shou)命(ming),在(zai)循(xun)環(huan)水(shui)箱(xiang)底(di)部(bu)排(pai)汙(wu)口(kou)管(guan)口(kou)前(qian)端(duan)配(pei)置(zhi)電(dian)磁(ci)閥(fa)和(he)水(shui)箱(xiang)內(nei)裝(zhuang)置(zhi)溫(wen)度(du)探(tan)頭(tou),設(she)定(ding)溫(wen)度(du)時(shi)間(jian)比(bi)例(li)自(zi)動(dong)換(huan)排(pai)水(shui),既(ji)保(bao)證(zheng)水(shui)箱(xiang)內(nei)的(de)水(shui)量(liang)充(chong)足(zu),還(hai)可(ke)降(jiang)低(di)水(shui)溫(wen)。
14、櫃體左右配置視鏡共2個,視鏡上裝置觀察照明燈,便於觀察櫃內物料被幹燥時的情況。
15、配置2隻不鏽鋼拉鉤,門打開後,便於箱內*裏層烘盤拿出方便,易操作。
16、配置1台不鏽鋼牽引小推車,便於散熱器進出,清洗方便,省時、省力,降低了勞動強度,提高安全係數(牽引小推車輪為2定向、2萬向,萬向輪帶刹車)。
17、本櫃可在浸膏裝盤厚度20mm,6小時即達到幹燥,極大的縮短了工作周期降低了設備能耗。
三、主體結構
1、櫃體:設備為臥式矩形內外雙層結構,有利於工作過程的預熱和連續操作。設備內膽為優質耐酸不鏽鋼板304焊接製成,采用優質不鏽鋼藥芯焊絲,並運用了CO2氣體保護、過程冷卻等一係列先進焊接工藝。
2、密封門:電機升降,旋轉開門,具有安全聯鎖、雙門互鎖功能。
①安全聯鎖:設備運行或壓力不歸0不能開門。
②雙門互鎖:根據GMP要求設有雙門互鎖功能,確保不同區域的隔離和物流的方向。
3、裝飾外罩:全不鏽鋼拉絲板製作,美觀大方且便於清洗。
四、控製係統
設備控製係統主要由主控製器PLC、微機觸摸屏、滅菌記錄裝置及其它控製元件組成。
1、PLC:德國西門子公司FX係列PLC具有**的控製功能,而且可靠性非常高,平均無故障時間達5萬小時。
2、觸摸屏:設備工況及各種參數實時動態畫麵顯示,可提供標準工業通訊接口並提供軟件技術支持,滿足用戶遠程監控要求。
3、資料記錄:溫度、壓力報表或存儲,供存檔備查。
4、設備驗證:設備附有標準GMP驗證接口,可隨時進行設備驗證。
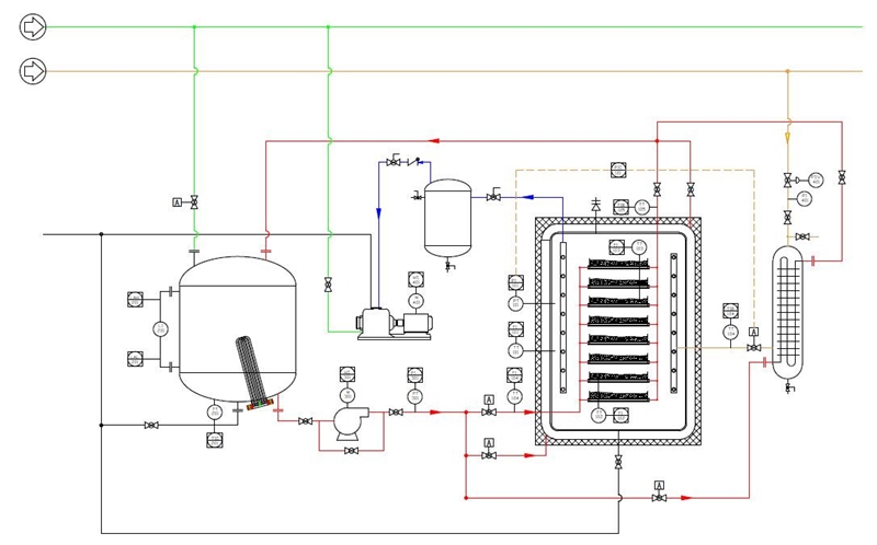
五、管路係統
設備管路係統由控製閥門、真空泵、過濾器、安全閥、疏水閥等專用閥件構成。關鍵部件為控製閥門和真空係統。
控製閥門:美國ASCO角座式氣動閥,400萬次無故障運行。
真空泵:水環式真空泵,噪音低、真空度高。
六、物品搬運
該設備幹燥物品由操作人員直接從腔體存取到搬運車上進行運送。
七、設備參數
1、加熱源:熱水/蒸汽
2、設計溫度: 95℃/134℃以下
3、熱均勻度:≤±3℃
4、極限真空度:-0.095 MPa
八、技術參數
注:部分參數設計時視不同物料有所調整,以設計為準。相關參數若有調整,將不另行提前告知。
- 2025-02-24 > 星光不負趕路人,熱烈祝賀本公司再度榮膺“高新技術企業”稱號!
- 2022-04-20 > 熱烈祝賀我司榮獲“高新技術企業”稱號!
- 2023-02-22 > 熱烈祝賀本公司榮獲2022年度“提質增效獎”
- 2026-03-11 > 春來機械-熱風循環烘箱(新能源專用)科普知識
- 2026-03-11 > 春來機械-耙式真空幹燥機(新能源專用)科普知識點
- 2026-02-02 > 影響MVR蒸發濃縮結晶器和多效蒸發濃縮結晶器運行成本的因素有哪些?
- 2026-02-02 > 春來機械- MVR蒸發濃縮結晶器和多效蒸發濃縮結晶器的經濟成本對比
- 2026-01-07 > 春來機械-關係雙錐回轉真空幹燥機深度分析
- 2026-01-07 > 春來機械-雙錐回轉真空幹燥機使用過程中有哪些常見問題?
- 2026-01-07 > 春來機械-春來機械-雙錐回轉真空幹燥機運行優化實操步驟






